راهنمای انتخاب چوک ورودی و خروجی
در دنیای الکترونیک قدرت، انتخاب درست یک قطعه کوچک میتواند تفاوتی بزرگ ایجاد کند. چوکها (Inductors) دقیقاً از همین دسته […]
در دنیای الکترونیک قدرت، انتخاب درست یک قطعه کوچک میتواند تفاوتی بزرگ ایجاد کند. چوکها (Inductors) دقیقاً از همین دسته هستند؛ تجهیزاتی که شاید ساده به نظر برسند، اما نقشی حیاتی در حفاظت، فیلترینگ و پایداری سیستمهای قدرت دارند. برای درک بهتر، بیایید نگاهی عمیق تر به چوک ورودی و خروجی بیندازیم و یاد بگیریم چطور بهترین گزینه را برای پروژه خود انتخاب کنیم.
چوک چیست و چرا اهمیت دارد؟
چوک یا راکتور در اصل یک سیم پیچ القایی روی هسته مغناطیسی است که خاصیت اصلی آن مقاومت در برابر تغییرات سریع جریان است. به زبان ساده، وقتی جریان میخواهد ناگهان زیاد یا کم شود، چوک مانند یک سد هوشمند عمل کرده و این تغییرات را نرم و کنترل شده میکند.
کاربردهای اصلی چوک:
- کاهش هارمونیکها و نویزهای فرکانسی
- تثبیت جریان و جلوگیری از نوسانات شدید
- محافظت از تجهیزات در برابر پیکهای ولتاژ
- افزایش طول عمر موتور و درایو
تفاوت چوک ورودی و خروجی
برای اینکه بدانیم چه نوع چوک لازم داریم، باید اول تفاوت بین دو نوع اصلی آن را بشناسیم:
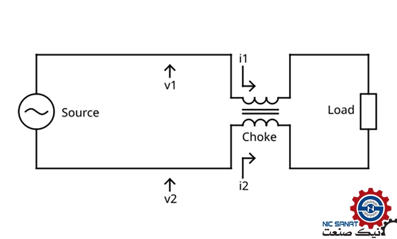
چوک ورودی (Line Reactor)
این نوع چوک درست در ابتدای مسیر نصب میشود؛ یعنی بین شبکه برق و اینورتر یا مبدل.
وظیفه اصلیاش این است که نویز و هارمونیکهای شبکه را کاهش دهد و نگذارد جریان نامنظم به درایو برسد. نتیجه این کار؟ عمر بیشتر درایو و عملکرد پایدارتر کل سیستم.
مزایای چوک ورودی:
- محافظت از درایو در برابر نوسانات برق شهر
- کاهش اعوجاج هارمونیکی (THD) تا حدود ۳۰–۴۵٪
- جلوگیری از برگشت نویز به شبکه و کاهش تداخل الکترومغناطیسی
اگر قصد خرید چوک ورودی برای اینورتر خود دارید، توجه به جریان نامی و اندوکتانس مناسب اهمیت ویژهای دارد.
چوک خروجی (Load / Output Choke)
این نوع چوک در سمت دیگر مسیر قرار میگیرد؛ یعنی بین خروجی اینورتر و موتور.
وظیفهاش این است که ولتاژهای تیز و ناگهانی را نرم کند تا فشار کمتری به سیم پیچ موتور وارد شود به ویژه در کابلکشیهای طولانی، وجود چوک خروجی حیاتی است.
مزایای چوک خروجی:
- کاهش استرس الکتریکی روی سیم پیچ موتور
- افزایش عمرعایق و کاهش دمای کار موتور
- کاهش نویز و صدای موتور
- ضروری در کابلهای طولانی بین درایو و موتور
اگر به دنبال بررسی قیمت و خرید چوک خروجی هستید، باید بدانید که کیفیت هسته و ظرفیت جریان از عوامل اصلی تفاوت قیمت محسوب میشوند.
پارامترهای مهم در انتخاب چوک (به زبان ساده)
وقتی میخواهید یک چوک ورودی یا خروجی انتخاب کنید، چند ویژگی کلیدی وجود دارد که باید مثل چک لیست خرید به آنها دقت کنید:
جریان نامی (Rated Current)
چوک مثل یک لوله آب است. اگر جریان بیشتری از ظرفیت لوله عبور کند، لوله میترکد.
پیشنهاد ساده: همیشه چوک را کمی بزرگ تر از نیاز واقعی انتخاب کنید (۲۰ تا ۳۰ درصد بیشتر)
امپدانس یا اندوکتانس (L / %Z)
امپدانس یا اندوکتانس در واقع مثل «ضخامت سپر حفاظتی» چوک است . اگر خیلی کم باشد، جلوی نویزها و موجهای ناگهانی را نمیگیرد. اگر خیلی زیاد باشد، خودش تبدیل به مانع جریان میشود.بنابراین باید درست اندازه گیری و انتخاب شود.
- برای چوک ورودی: معمولاً ۳ تا ۵ درصد کافی است.
- برای چوک خروجی: مقدار آن بستگی به طول کابل و توان موتور دارد؛ هرچه کابل طولانیتر یا موتور قوی تر باشد، چوک باید قوی تر انتخاب شود.

تصویر فرمول محاسبه مقدار اندوکتانس چوک بر اساس ولتاژ، جریان، فرکانس و درصد امپدانس؛ مناسب برای آموزش مهندسی برق
مثال: در جادهای پر از دستانداز، کمک فنر ماشین همان نقشی را دارد که چوک برای جریان برق بازی میکند.
مقاومت DC (Rdc)
این همان گرمای اضافه است که چوک هنگام کار تولید میکند. هرچه مقاومت سیم پیچ کمتر باشد، انرژی کمتری هدر میرود و دستگاه شما خنک تر و با راندمان بالاتر کار میکند.
هسته و عایق
چوکها یک قلب مغناطیسی (هسته) و یک پوشش محافظ (عایق) دارند:
- هستههای مدرن مثل آمورف یا پودری برای فرکانسهای بالا خیلی بهتر عمل میکنند و تلفات کمتری دارند.
- عایق حرارتی با کلاس F یا H تضمین میکند که چوک حتی در شرایط داغ هم مطمئن کار کند.
شرایط نصب
جای نصب چوک اهمیت زیادی دارد:
- چوک ورودی باید در مکانی با جریان هوای کافی نصب شود تا گرما به راحتی خارج شود.
- چوک خروجی بهتر است نزدیک موتور نصب شود تا اثر کابل خنثی شود و عملکرد بهتری داشته باشد.
نقش چوک در بهبود پایداری سیستم
- چوک ورودی: بدون آن، جریان اینورتر میتواند اعوجاج بالای ۷۰–۸۰٪ داشته باشد؛ اما با چوک ۵٪، این مقدار به حدود ۳۰–۳۵٪ کاهش مییابد.
- چوک خروجی: بدون آن، پیکهای ولتاژ مثل کوبیدن چکش روی سیم پیچ موتور است. با نصب چوک خروجی، این ضربهها نرم میشوند و عمر موتور چند برابر افزایش مییابد.
به زبان ساده: چوک ورودی و خروجی، مثل فیلتر و کمک فنر سیستم برق شما هستند که جریان را یکنواخت و ایمن نگه میدارند.
جمعبندی نهایی
انتخاب چوک ورودی و خروجی دیگر یک گزینه لوکس نیست، بلکه یک ضرورت برای هر سیستم قدرت پایدار است:
- چوک ورودی = حفاظت اینورتر و کاهش هارمونیک شبکه
- چوک خروجی = حفاظت موتور و کاهش فشار الکتریکی
اگر به فکر خرید چوک DC یا انتخاب بهترین چوک ورودی و خروجی هستید، کافی است به عواملی مثل جریان نامی، اندوکتانس و کیفیت هسته توجه کنید. یک انتخاب درست میتواند عمر تجهیزات شما را چند برابر کرده و بهره وری سیستم را افزایش دهد.
برای اینکه انتخابی مطمئن و مقرون به صرفه داشته باشید، میتوانید روی تجربه و تخصص شرکت نیک صنعت حساب کنید. این مجموعه با ارائه مشاوره رایگان و خدمات فنی تخصصی، به شما کمک میکند تا مناسب ترین چوک را برای پروژه خود انتخاب کنید. همین حالا برای دریافت راهنمایی بیشتر با کارشناسان ما تماس بگیرید.




نظرات کاربران