یکی از مهم ترین بخشهای بهرهبرداری از درایوهای هیوندا تنظیم پارامترهای آن میباشد. این مدل از درایوها در کنترل سیستمهای موتوری بسیار مورد استفاده قرار میگیرند. از درایوهای هیوندا در طیف گستردهای از صنایع دنیا استفاده میشود بیشترین کاربرد آن در صنایع برای کنترل سرعت ، گشتاور و جهت چرخش موتورهای القایی سه فاز استفاده میشوند. برای اینکه با تنظیم پارامترهای درایو به صورت فنی تر آشنا شویم باید با چند دسته بندی کلی پارامترهای درایو هیوندا آشنا شویم. یکی از موارد اصلی برای شروع تنظیم پارامترها آشنایی با منطق برنامه نویسی هر جزء که در ادامه به صورت طبقه بندی شده مورد بررسی قرار میگیرد.
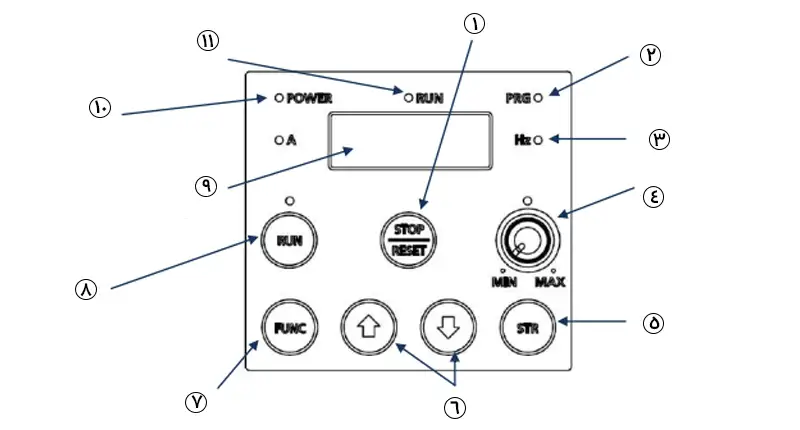
کی پد درایو هیوندای
بعد از خرید درایو هیوندا باید کی پد و کاربرد آن آشنایی کافی داشته باشید تا بتوانیم تنظیم پارامتر شروع کنیم و بهترین خروجی را دریافت کنیم. در ادامه با تمامی اجزای کی پد آشنا میشویم پس تا انتها با ما همراه باشید.
| شماره | نام کلید | توضیحات |
| 1 | کلید راه اندازی مجدد / توقف
(stop / restet) |
این کلید برای ایجاد توقف موتور و یا ریست کردن خطاها مورد استفاده قرار میگیرد. زمانی که اپراتور یا ترمینال انتخاب شده باشد این کلید وارد عمل میشود. در صورتی که قابلیت یا عملکرد b15 انتخاب شود. عملکرد این کلید بی اثر خواهد شد |
| 2 | چراغ PRG | این LED زمانی روشن میشود که اینورتر آماده ویرایش پارامترها باشد. |
| 3 | چراغ Hz | واحدهای نمایش هرتز آمپر به کمک نشانگرهای LED |
| 4 | کلید پتاسیومتر | تنظیم فرکانس خروجی اینورتر (فقط زمانی عمل میکند که رمپ فعال باشد) |
| 5 | کلید ذخیره | با فشار دادن کلید ذخیره دیتاهای ورودی و مقادیر نوشته شده در حافظه ذخیره میشود. |
| 6 | کلید بالا و پایین | از این نوع کلید بیشتر در پیمایش بین تنظیمات و اطلاعات استفاده میشود. |
| 7 | کلید عملکرد | از این کلید به منظور تغییر پارامترهای و فرمان های ارسالی استفاده میشود. |
| 8 | کلید شروع | برای آغاز به کار درایو باید از این کلید استفاده کرد. |
| 9 | صفحه نمایشگر | این نمایشگر وظیفه نمایش اطلاعات و دیتاهای در حال نمایش را دارد. |
| 10 | چراغ توان | زمانی که برق کنترل به ورودی اینورتر متصل شود این چراغ LED روشن میشود. |
| 11 | چراغ شروع | زمانی که اینورتر ولتاژ PWM را به خروجی میدهد این چراغ به معنای فرمان راهاندازی روشن میشود. |
توجه داشته باشید برای فعال سازی عملکرد SHIFT با فشردن همزمان کلیدها بالا و پایین این عملکرد فعال میشود. این مقدار در نمایشگر اصلی در قسمت سمت چپ پایین به صورت چشمک نمایش داده میشود و با فشردن دکمه STORE (ذخیره)رقم چشمک زن به سمت راست منتقل میشود. با هربار فشردن این دکمه رقم بعدی چشمک زن میشود. هنگامی آخرین رقم چشمک زن شد و کلید STORE فشرده شود نمایشگر به حالت نمایش کد تابع باز میگردد.
- برای حرکت در بین رقمهای نمایشگر کلیدهای بالا و پایین را به صورت همزمان فشار میدهیم با این کار از حالت اسکرول به حالت شیفت تغییر حالت میدهیم. در نتیجه میتوان بین رقمهای نمایشگر حرکت کرد.
- روش تنظیم دیتا
با استفاده و کمک کلیدهای بالا و پایین گروه مورد نظر خود را انتخاب کنید و روی آن توقف کنید با فشردن کلید Function به تنظیمات دیتا مورد نظر وارد میشود. با فشار دادن کلیدهای بالا و پایین اولین رقم شروع به چشمک زدن میکند، سپس با کلیدهای بالا پایین مقدار مدنظر خودرا وارد و با کلید store آن را تایید و ذخیره کنید. این روند را برای تمامی دیتا میتوانید ادامه دهید.
آشنایی با پارامترهای مهم درایو هیوندای
این پارامترها از دسته تنظیماتی هستند که برای انجام فرآیندهای اولیه باید به صورت دقیق مطابق با نیاز شما مورد بررسی قرار بگیرند. در صورتی که در زمان پارامتردهی مقداری مناسب با توان مجموعه خود را وارد نکنید با آسیب و خرابی در درایو مواجه و نیاز به تعمیر اینورتر هیوندا افزایش پیدا میکنید.
| کد پارامتر | نام پارامتر | توضیحات |
| d01 | تعیین فرکانس خروجی | نمایش زمان واقعی فرکانس خروجی به موتور، از 0.00 تا 400.0 هرتز، LED “Hz” روشن است |
| d02 | تعیین جریان خروجی | نمایش زمان واقعی جریان خروجی به موتور، از 0.0 تا 9999 آمپر، LED “A” روشن است. |
| d03 | تعیین ولتاژ خروجی | نمایش زمان واقعی ولتاژ خروجی به موتور |
| d04 | تعیین نوع چرخش موتور | سه نمایش مختلف: “F” ….. حرکت رو به جلو “□” ….. توقف “r” ….. حرکت معکوس |
| d05 | مقدار فیدبک PID | مقدار متغیر فرآیند PID مقیاسگذاری شده (فیدبک) را نمایش میدهد A50 ضریب مقیاس است. |
| d06 | وضعیت ترمینال ورودی هوشمند | وضعیت ترمینالهای ورودی هوشمند را نمایش میدهد.
|
| d07 | وضعیت ترمینال خروجی هوشمند | وضعیت ترمینالهای خروجی هوشمند را نمایش میدهد.
|
| d08 | نمایشگر خروجی دور بر دقیقه | 0 ~ 65530 (RPM) (=120 x d01 x b14) /H14 |
| d09 | مقدار مصرف توان | 0 ~ 999.9 (kW) |
| d10 | مقدار زمان کارکرد برحسب ساعات | 0 ~ 9999 (hr) |
| d11 | مانیتور زمان واقعی عملکرد بر حسب دقیقه | 0 ~ 59 (min) |
| d12 | ولتاژ لینک DC | 0 ~ 999 (V) |
| d13 | مانیتور رویداد قطع |
این کلید توقف فرآیند فعلی را به نمایش میگذارد روش نمایش آن به صورت زیر میباشد: علت آلارم |
| d14 | مانیتور تاریخچه قطع 1 | نمایش اولین رویداد توقف Tripقبلی |
| d15 | مانیتور تاریخچه قطع 1 | نمایش دومین رویداد توقف Tripقبلی |
| d16 | مانیتور تاریخچه قطع 1 | نمایش سومین رویداد توقف Tripقبلی |
| d17 | شمارش قطع | نمایش تجمعی توقف ها |
جمع بندی
مقادیری که در بالا به آنها اشاره شدهاند پارامترهای عمومیتر اینورتر هیوندا میباشند که در صنعت کاربرد بیشتری دارند در صورتی که نیاز به پارامترهای بیشتر دارید میتوانید از کارشناسان فنی نیک صنعت کمک بگیرید. تنظیم پارامترهای درایو یک امر تخصصی و باید توسط تکنسینهای ماهر این حوزه انجام شود بنابراین اگر تجربهای در این زمینه ندارید به هیچ عنوان اقدام به تنظیم پارامترها درایو نکنید. چون به غیر از خود درایو ممکن به دیگر تجهیزات اتوماسیون صنعتی خود نیز آسیب جدی وارد کنید. برای دریافت اطلاعات بیشتر درباره تنظیم پارامترها با کارشناسان ما در تماس باشید.




نظرات کاربران